SICAME Zacisk uziemiający TTD-3CCA (50-150)
Prosper sklep - sprawdzony partner - sklep dla elektryków
Opis
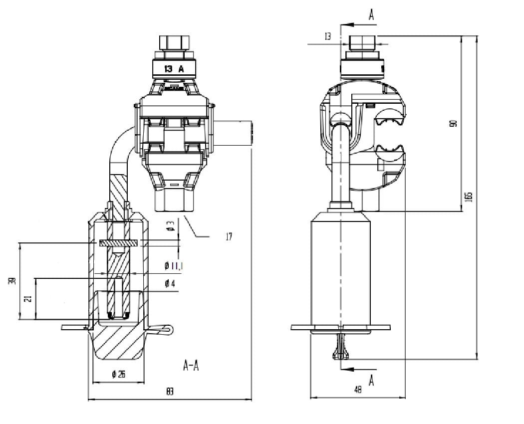
SICAME Zacisk uziemiający TTD 3-CCA (50-150)
Stosowany do uziemiania przewodów linii izolowanej, zwierania przewodów linii lub podłączenia odbiorcy tymczasowego. Posiada złącze bagnetowe pozwalające na wielokrotne podłączanie.
- W trakcie montażu możliwość przytrzymania zacisku kluczem numer 17 (płaski lub oczkowy) lub kluczem czołowym oferowanym przez producenta.

