ŚRUBA HAKOWA SHPo z podkładką kwadratową M16/220 - BEZPOL
Prosper sklep - sprawdzony partner - sklep dla elektryków
Opis
ŚRUBA HAKOWA SHPo z podkładką kwadratową M16/220 BEZPOL
Prezentowana śruba hakowa BEZPOL SHPO 16/220 jest przykręcana do konstrukcji wsporczych służy do podwieszania uchwytów odciągowych i przelotowych mocujących samonośne przewody izolowane.
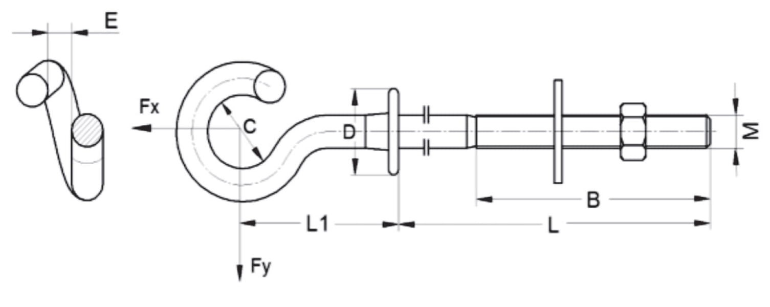
- typ SHPo 16/220
- symbol producenta BK 1002/3
- obciążenie dopuszczalne Fx 11,9kN
- obciążenie dopuszczalne Fy 3,5kN
- podkładka 4x50x50
- wymiar L 220mm zgodnie z oznaczeniem na fotografii nr 2 w galerii produktu
- wymiar L1 80mm zgodnie z oznaczeniem na fotografii nr 2 w galerii produktu
- wymiar B 120mm zgodnie z oznaczeniem na fotografii nr 2 w galerii produktu
- wymiar C 36mm zgodnie z oznaczeniem na fotografii nr 2 w galerii produktu
- wymiar D 42mm zgodnie z oznaczeniem na fotografii nr 2 w galerii produktu
- wymiar E 20mm zgodnie z oznaczeniem na fotografii nr 2 w galerii produktu
- wielkość M 16 zgodnie z oznaczeniem na fotografii nr 2 w galerii produktu
- śruba M16
- wykonana ze stali ocynkowanej ogniowo
Materiał:
1. Pręt stalowy (na poniższym rysunku)
2. Kołnierz oporowy okrągły spęczony (na poniższym rysunku)
3. Nakrętka (na poniższym rysunku)
4. Podkładka kwadratowa (na poniższym rysunku)
- KTM 1131-600-953-220
- okres gwarancji 12 miesięcy (lub dłużej zgodnie z wytycznymi producenta)

