BK3412 Uchwyt potrójny do mocowania kabla 3xUKB-2/250(ż)km - BEZPOL
Prosper sklep - sprawdzony partner - sklep dla elektryków
Opis
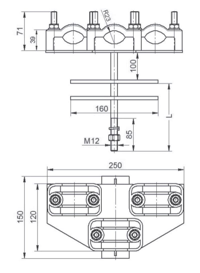
Uchwyt potrójny kompletny do mocowania kabla 3xUKB-2/250(ż)km BK3412 BEZPOL
Prezentowany przez PROSPERSKLEP z Sosnowca uchwyt BEZPOL BK 3412 stosowany jest do mocowania kabli o średnicy od 25 do 46mm ułożonych na słupach ŻN.
- typ 3xUKB-2/250 (ż) KM
- symbol producenta BK 3412
- długość L = 250 zgodnie z oznaczeniami na fotografii nr 2 w galerii produktu
- zbudowany z
a) uchwyt UKB-2 wykonany z tworzywa samogasnącego odpornego na promieniowanie UV
b) podstawa mocująca ze stali ocynkowanej ogniowo
- KTM 1131-590-250-132
- okres gwarancji 12 miesięcy (lub dłużej zgodnie z wytycznymi producenta)
* Fotografie poglądowe
