Końcówka kablowa KRA 50/10
Prosper sklep - sprawdzony partner - sklep dla elektryków
Opis
Końcówka kablowa KRA 50/10 aluminiowa szczelna ERGOM
Końcówka kablowa KRA 50/10 100 sztuk aluminiowa. Prezentowana oczkowa końcówka służy do zaprasowywania umożliwia zakończenie żył kabla. Aluminiowa, szczelna oczkowa końcówka kablowa Znajduję zastosowanie tam gdzie zachodzi konieczność przyłączenia przewodu dochodzącego do np. rozdzielni, szyny zbiorczej lub innego urządzenia przy pomocy zacisku śrubowego. Zastosowanie końcówek oczkowych zwiększa bezpieczeństwo i trwałość tego typu połączeń. W przeciwieństwie do połączeń lutowanych zastosowanie końcówek oczkowych zmniejsza ryzyko przegrzewania się żył oraz izolacji. W przypadku zaprasowywania żył sektorowych należy je przeformować na „okrągło”.
Końcówka kablowa KRA 50/10, parametry produktu
- przekrój re/se 70mm²
- przekrój rm/sm 50mm²
- materiał aluminiowe Al
- brak pokrycia
- otwór pod śrubę M10
- wykonanie standardowe
- seria KRA
- rodzaj końcówka kablowa, aluminiowa, szczelna, oczkowa
- zaprasowanie
a) nr gniazda 16
b) liczba zaciśnięć - szerokie 3
c) liczba zaciśnięć - wąskie 5
- posiada certyfikat DIN 46329
- zgodność z normami PN-EN IEC 61238-1-1:2020-06, PN-EN IEC 61238-1-3:2020-01
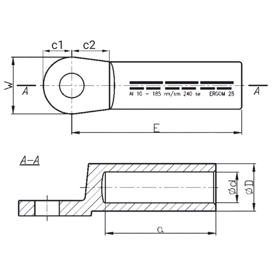
- wymiary zgodnie z poniższym rysunkiem
d 9,8mm
D 16,0mm
a min 42,0mm
c1 12,5mm
c2 15,5mm
E 62,0mm
W 25,0mm

- symbol producenta E12KA-01010101200
- waga ~ 2915g
- okres gwarancji 12 miesięcy (lub dłużej, zgodnie z wytycznymi producenta)
Uwaga:
– końcówki są wypełnione specjalnym smarem kontaktowym, pakowane w osobny worek foliowy; - żyły sektorowe muszą zostać przeformowane “na okrągło”
* Fotografie poglądowe
Sklep elektryczny Prosper zaprasza po końcówki kablowe
W naszym sklepie elektrycznym znajdziesz narzędzia i produkty dla profesjonalistów
budujących i serwisujących sieci energetyczne wysokiego i średniego napięcia. Znajdziesz tutaj
również miedziane i aluminiowe oczkowe szczelne końcówki kablowe w różnych zakresach.
