Zacisk transformatorowy aluminiowy ZGU - BK6240 - BEZPOL
Prosper sklep - sprawdzony partner - sklep dla elektryków
Opis
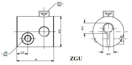
Zacisk transformatorowy aluminiowy ZGU - BK6240 - BEZPOL
Aluminium.
Śruby dociskowe - stal nierdzewna.
Zastosowanie:
Wersja ZGU
- podłączenie napięcia górnego uzwojenia transformatora rozdzielczego SN/nN.
Wersja ZGU OP
- podłączenie napięcia górnego uzwojenia transformatora rozdzielczego SN/nN z jednoczesnym montażem ograniczników SN na trzpieniu przepustu izolatora.
Zalety:
- doskonałe własności elektryczne,
- zwarta konstrukcja,
- możliwość obsługi za pomocą jednego klucza,
- możliwość realizacji podłączenia napięcia górnego uzwojenia transformatora rozdzielczego SN/nN bez zastosowania dodatkowych elementów jak np. końcówek kablowych,
- łatwość montaż.


- okres gwarancji 12 miesięcy (lub dłużej zgodnie z wytycznymi producenta)
* Fotografia poglądowa
