Końcówka kablowa KOR 70/10
Prosper sklep - sprawdzony partner - sklep dla elektryków
Opis
Końcówka kablowa KOR 70/10 oczkowa rurowa, miedziana ERGOM
Końcówka kablowa KOR 70/10 100 sztuk miedziana. Prezentowana oczkowa rurowa, cynowana galwanicznie służy do zaprasowywania umożliwia zakończenie żył kabla miedzianego. Miedziana, rurowa końcówka kablowa Znajduję zastosowanie tam gdzie zachodzi konieczność przyłączenia przewodu dochodzącego do np. rozdzielni, szyny zbiorczej lub innego urządzenia przy pomocy zacisku śrubowego. Zastosowanie końcówek oczkowych zwiększa bezpieczeństwo i trwałość tego typu połączeń. W przeciwieństwie do połączeń lutowanych zastosowanie końcówek oczkowych zmniejsza ryzyko przegrzewania się żył oraz izolacji. W przypadku zaprasowywania żył sektorowych należy je przeformować na „okrągło”.
Końcówka kablowa KOR 70/10, parametry produktu
- przekrój rm/sm 70mm²
- materiał miedziane Cu (wykonane z miedzi)
- pokrycie cynowane galwanicznie
- otwór pod śrubę M10
- wykonanie standardowe
- seria KOR
- rodzaj końcówka kablowa, rurowa, tulejkowa, oczkowa
- zaprasowanie
a) nr gniazda 16
b) liczba zaciśnięć - szerokie 1
c) liczba zaciśnięć - wąskie 2
- posiada certyfikat UL E475284
- zgodność z normami PN-EN IEC 61238-1-1:2020-06, PN-EN IEC 61238-1-3:2020-01
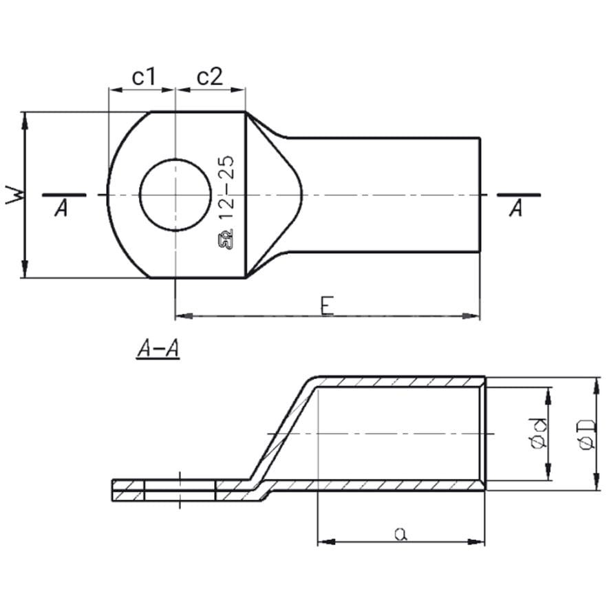
- wymiary zgodnie z poniższym rysunkiem
d 12,0mm
D 16,5mm
a 21mm
c1 12,0mm
c2 13,0mm
E 43,5mm
W 23,0mm

- symbol producenta E11KM-01020105400
- waga ~ 4498g
- okres gwarancji 12 miesięcy (lub dłużej, zgodnie z wytycznymi producenta)
Uwaga:
– żyły sektorowe sm muszą zostać przeformowane “na okrągło”.
* Fotografie poglądowe
Sklep elektryczny Prosper zaprasza po tulejkowe, oczkowe i rurowe końcówki kablowe
W naszym sklepie elektrycznym znajdziesz narzędzia i produkty dla profesjonalistów
budujących i serwisujących sieci energetyczne wysokiego i średniego napięcia. Znajdziesz tutaj
również miedziane i aluminiowe końcówki kablowe w różnych zakresach.
